Каталог
  Адаптеры, насадки, микро и миниклипсы   Амплитудные усилители Hubert   Амплитудные усилители Актаком   Анализаторы   Анемометры Актаком   Батарейные отсеки   Беспроводная измерительная система Fluke CNX   Видеоскопы и бороскопы Актаком   Виртуальные приборы   Генераторы   Гнезда/Разъемы   Датчики измерительных систем Актаком   Дополнительные принадлежности Fluke   Дополнительные принадлежности к мультиметрам   Дымоуловители Актаком   Измерители   Источники питания   Кабель-тестеры Актаком   Калибраторы лабораторные   Калибраторы портативные Fluke   Калибраторы портативные АКТАКОМ   Кварцевые генераторы и резонаторы   Киловольтметры   Кислородомеры, PH-метры Актаком   Коммутационная система Keithley серии 2700 Integra   Коммутационная система Keithley серии 3700   Коммутационно-измерительная система Rigol M300   Корпуса на DIN-рейку   Логические анализаторы Tektronix (выборка)   Логические анализаторы Tektronix: Аксессуары   Люкс и УФ-метры Актаком   Мебель для дома и офиса   Мегаомметры и омметры   Мегаомметры и омметры Fluke   Мегаомметры и омметры Fluke: Комбинированные наборы   Мегаомметры и омметры Актаком   Меры, магазины, мосты   Мультиметры   Осциллографы   Паяльное оборудование   Переходники   Пинцеты Tronex   Пластиковые кейсы   Прецизионные мультиметры Keithley (США)   Приборы для электротехники и энергетики   Приборы для электротехники и энергетики Fluke   Программируемые / управляемые источники питания Актаком   Программируемые электронные нагрузки Rigol   Программируемые электронные нагрузки Rigol. Аксессуары   Программируемые электронные нагрузки Tektronix   Программируемые электронные нагрузки Актаком   Промышленная мебель   Радиомонтажный инструмент Tronex   Радиомонтажный инструмент Актаком   Рекламные материалы   Рефлектометры   Светильники бестеневые настольные   Светильники бестеневые со струбциной   Светильники потолочные   Светильники: Аксессуары   Системы измерения параметров полупроводников   Тахометры Актаком   Тепловизоры Fluke   Термовоздушные паяльные станции Актаком   Термометры и пирометры Fluke   Термометры и пирометры Актаком   Термопреобразователи   Токовые клещи Fluke   Токовые клещи Актаком   Толщиномеры Актаком   Трассоискатели   Трассоискатели Актаком   Частотомеры Rohde & Schwarz   Частотомеры Tektronix   Частотомеры Актаком   Частотомеры прецизионные Pendulum Instruments   Шума и вибрации измерители
 
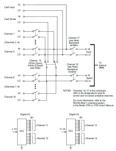
7707 Модуль коммутационный
7707 Модуль коммутационный
Цена: по запросу


Код товара: 7707


Модули Кол-во
аналог.
входов
КонфигурацияТип
разъема
Макс.
напряж.
Макс.
ток
коммутации
Полоса
пропускания
Ресурс
контактов
Скорость
переключ.
Примечание
7700 20

Мультиплексор с КХС

1x20 или
два 1х10

Винтовой

300 В

1 А

50 МГц

108 3 мс Макс.мощность = 125 ВА.
Два токовых измерит.канала
7701
32
Мультиплексор 1x32 или
два 1х16
D-sub
150 В
1 А 2 МГц 108 3 мс Макс.мощность = 125 ВА.
770240 Мультиплексор1x40 или
два 1х20
Винтовой 300 В 1 А2 МГц1083 мс Макс.мощность = 125 ВА.
Два токовых измерит.канала
770332 Мультиплексор1x32 или
два 1х16
D-sub 300 В 0,5 А2 МГц1081 мс Герконовые реле.
770540 Независимые однополюсные реле - D-sub 300 В 2 А10 МГц1083 мс Макс.мощность = 125 ВА.
770620 Мультиплексор с КХС 1x20 или
два 1х10
Винтовой 300 В 1 А 2 МГц 108 3 мс Макс.мощность = 125 ВА.
Два аналоговых выхода.
16 цифровых выходов.
770710Цифровые входы/выходы/Мультиплексор1x10 или
два 1х5
D-sub 300 В 1 А2 МГц1083 мс Макс.мощность = 125 ВА.
32 цифровых входа/выхода.
770840 Мультиплексор с КХС 1x40 или
два 1х20
Винтовой 300 В 1 А 2 МГц 108 3 мс Макс.мощность = 125 ВА.
770948 Матричный коммутатор6x8D-sub300 В1 А2 МГц1083 мс Макс.мощность = 125 ВА.
Подкл. к внутреннему мультиметру. Соединение модулей до матрицы 6х40
7710 20 Мультиплексор с КХС 1x20 или
два 1х10
Съемный,
винтовой
60 В 0,1 А 2 МГц 1010 0,5 мс Твердотельные реле, 60 В макс.
скорость - 500 каналов/сек.
7711 8 Мультиплексор два 1х4 SMA 60 В 0,5 А2 ГГц 106 10 мс Вносимые потери 1,0 дБ@1 ГГц.
КСВН1,2@1ГГц.
7712 8 Мультиплексор два 1х4 SMA 42 В 0,5 А 3,5 ГГц 106 10 мс Вносимые потери 1,1 дБ@2,4 ГГц.
КХС - компенсация холодного спая
Новости

Отправить

Обращаем Ваше внимание на то, что информация размещенная на интернет-сайте носит ознакомительный характер и ни при каких условиях не является публичной офертой, определяемой положениями Статьи 437 ГК РФ.